UPPER PART - (710.603.000)
        ×
        
            ![]() 
        
    
Part Of the Series: Upper part-Vinyl-332
Type no.: 710.603.000
EAN no.: 5705499108460
RSK no.: 7123993
NRF no.: 3396435
LVI no.: 3303819
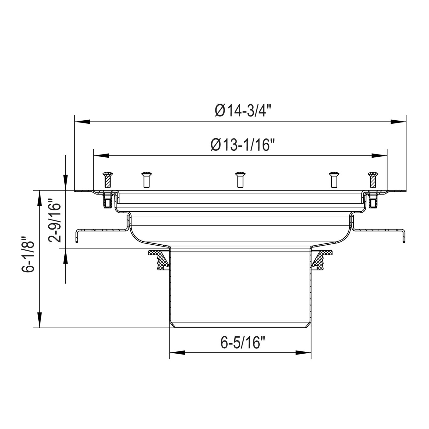
Size: Ø332
UPPER PART
-With supporting ring for water trap
-Floor: vinyl
-Frame: Ø13-1/8 inch
-Stainless steel: AISI304/EN1.4301
| Product Specification | |
|---|---|
| Field of Application | Industrial | 
| Floor | Vinyl | 
| Material | AISI 304 | 
| Material (EN) | EN 1.4301 | 
| Minimum Height (mm) | 156 | 
| Number of Screw Holes | 0 | 
| Outlet dia. (mm) | 160 | 
| Outlet Diameter (Inch) | 6 | 
| Shape | Round | 
| Size (mm) | Ø332 | 
| Size of Frame (Inch) | Ø13-1/8 | 
| Weight (kg) | 5.43 | 
| Weight (lbs) | 11.97 | 
- 
            Approval InformationFor approval information, please refer to the below approval certificates.